Поставка теплообменников
Среда, 16 Апрель 2014 12:21
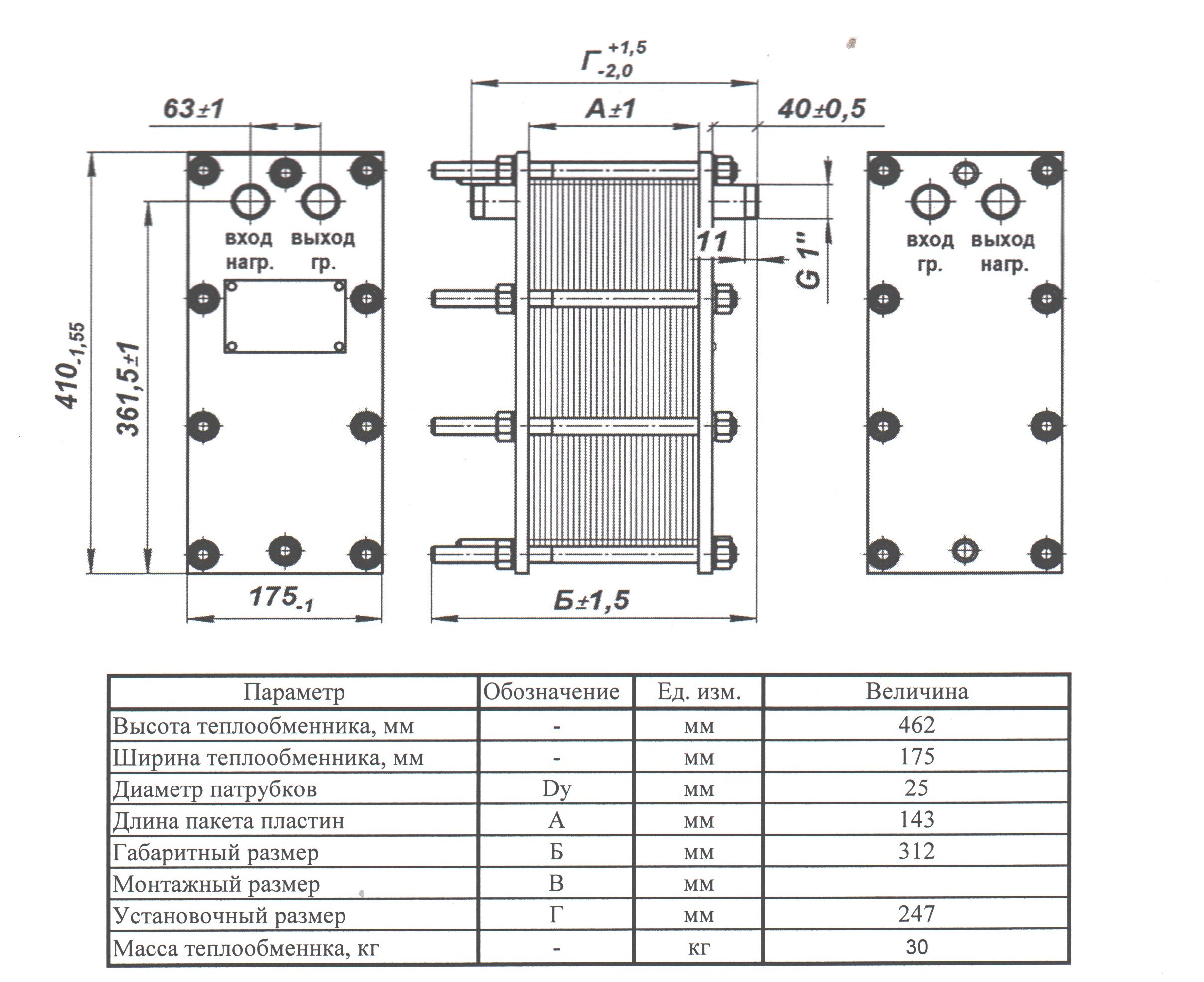
Поставка теплообменников в количестве 3 штуки для нужд ОАО «ЕПТС»
Автор Никитина Л.Н.
Скачать вложения:
- izvi_teplo_1.rtf (1688 Скачиваний)
- texdokument_teplo.doc (1680 Скачиваний)
- Scan-140416-0001.jpg (2734 Скачиваний)
- AAIAAe.xls (1762 Скачиваний)
Последнее от Никитина Л.Н.
- На разработку проектно-сметной, рабочей документации и строительно-монтажных работ по объекту «Реконструкция водогрейного котла КВГМ-30-150» Центральная котельная г. Елабуга ул. Интернациональная, 9А
- Выполнение работ по восстановлению благоустройства после реконструкции, капитального и текущего ремонта тепловых сетей АО «Елабужское ПТС»
- На оказание услуг по проведению расчетов, формированию, экспертному заключению и утверждению нормативов удельного расхода топлива на 2027 г
- На оказание услуг по проведению расчета, формированию, предоставлению экспертного заключения, обосновывающей значение нормативов технологических потерь при передаче тепловой энергии и утверждению АО «Елабужское предприятие тепловых сетей» на 2027 г
- На оказание услуги ведения надзора за техническим состоянием и безопасной эксплуатацией дымовой трубы (ДТ)









